Фінансовий результат – кінцевий економічний підсумок господарської діяльності підприємства у формі прибутку (доходу).
Нарахований на підприємстві доход або прибуток залежить від тієї форми (моделі) розрахунку, по якій працює колектив.
Фінансові результати нараховуються на рахунку № 80 "Прибутки (доходи) і збитки".
Основна сума прибутку (доходу) утворюється в результаті реалізації продукції, робіт, послуг.
Ця різниця між сумою виручки від реалізації і повної фактичної собівартості реалізованої продукції (прибуток), чи сумою фактичних матеріальних і прирівнюваних до них витрат (доход). Поряд з цим підприємство може одержати позареалізаційні доходи і понести втрати, які впливають на його кінцевий фінансовий результат. До них відносяться збитки від стихійного лиха, пені, штрафи, неустойки, одержані і сплачені.
Фінансовий результат розраховується на рахунку № 46 "Реалізація" по видам і групам реалізованої продукції, виконаних робіт, наданих послуг із щомісячним від несенням на рахунок 80 "Прибутки та збитки" записуються збитки, по кредиту – прибуток.
Різниця між сумою оборотів складають фінансовий результат сальдо дебетове - збиток, кредитове – прибуток.
Суми використаних за цей період прибутків враховуються окремо на спеціальному рахунку № 81 "Використання прибутку". Вони називаються відтягненими коштами.
Склад відтягнених коштів частково установлений урядом – це нормативи відрахувань від прибутку до бюджету, проценти за кредит по простроченому позичкам, плата за трудові ресурси; друга частина відтягнених коштів нормується вищестоячим органом і підприємством самостійно у вигляді відрахувань на утворення різних фондів економічного стимулювання і спеціального призначення.
Всі ці платежі можливі у випадку одержання прибутку в результаті господарської діяльності підприємства.
Рахунок 81 Використання прибутку" має субрахунки:
"Платежі до бюджету від прибутку";
"Використання прибутку на інші цілі".
Рахунок – активний, сальдо дебетоване відображає суму відтягнених коштів (використованого прибутку) підприємством з початку року до звітного місяця, обороту по дебету – суми, відтягнені в звітному місяці; обороту по кредиту (тільки по закінченню року, після затвердження балансу) – всю суму обороту по дебету за звітний рік.
Тому рахунок 81 "Використання прибутку" щомісяця кореспондують з кредитом рахунків.
Рахунок 68 "Розрахунки з бюджетом" - на суми відрахувань податків до бюджету.
Рахунок 87 "Фонди економічного стимулювання" – на суми направлені на утворення фондів підприємства.
Рахунок 78 "Внутрішньовідомчі розрахунки" – на суми, що підлягають перерахуванню вищестоячому органу.
Якщо підприємство проводить авансові перерахування прибутку до бюджету, їх суми щоквартально записуються по дебету рахунку № 81/1 "Платежі до бюджету від прибутку" і по кредиту рахунку № 51 "Розрахунковий рахунок".
По закінченні кварталу, коли буде визначена фактична сума прибутку за квартал, проводить розрахунок квартальної суми, податку відрахованого від прибутку до бюджету.
Дебет рахунку № 81 "Прибутки (доходи) і збитки".
Кредит рахунку 68 "Розрахунки до бюджету".
Одночасно проводиться залік раніше перерахованих сум на протязі звітного періоду.
Дебет рахунку № 68 "Розрахунки до бюджету".
Кредит рахунку № 51 "Платежі до бюджету від прибутку".
Аналітичний і синтетичний облік операцій по сумам відтягнених коштів організується в журналі-ордері № 15 на основі довідок-розрахунків бухгалтерії, виписок банку з розрахункового рахунку підприємства.
Кореспонденція рахунків з обліку фінансових результатів та використання прибутку в сучасних умовах господарювання відображено в таблиці.
Таблиця № 1. Кореспонденція рахунків з обліку фінансових результатів, використання прибутку в сучасних умовах господарювання.
№ пп | Назва операції | Кореспондуючі рахунки | |
|
| Дебет | Кредит |
1 | 2 | 3 | 4 |
| Рахунок № 80 "Прибутки і збитки" |
|
|
1. | Одержаний прибуток від реалізації продукції, інших активів, товарів, виконаних робіт | 46 | 80 |
2. | Одержаний доход від здачі майна в оренду | 51 | 80 |
3. | Одержаний доход від дольової участі в інших підприємствах | 76 | 80 |
4. | Одержані доходи від реалізації цінних паперів, що належать підприємству | 51 | 80 |
5. | Висунуті іншим підприємством суми штрафів, пені, неустойки, що визнані боржником або присуджені судом | 63 | 80 |
6. | Одержані суми, що надійшли в погашення дебіторської заборгованості, списаної в минулі роки на збиток | 51 | 80 |
7. | Суми раніше нараховані резервів наступних витрат і платежів, що залишилися не використованими | 89 | 80 |
8. | Сплачені різні штрафи, пені, неустойки, збитки минулих років | 80,81 | 50,51, 52 |
9. | Втрати готової продукції, товарів, матеріалів внаслідок стихійного лиха, аварій, пожеж, тощо, списані на збитки | 80 | 40,41, 05 |
10. | Витрати на ліквідації наслідків стихійного лиха | 80 | 50, 51, 70 |
11. | Збитки від списування дебіторської заборгованості, безнадійної до одержання (минув термін позовної давності) | 80, 81 | 73, 76 |
12. | Судові витрати і арбітражні збори, віднесені на збитки | 80 | 76 |
13. | Нестачі та витрати від псування цінностей, по яких винні не встановлені у позову яких відмовлено судом | 80 | 84 або 72 |
14. | Збитки по операціях з тарою, крім скляної | 80 | 05-4, 60, 76 |
15. | Збитки від уцінки виробничих запасів, готової продукції | 80 | 05,08, 40, 06,12 та ін. |
16. | Некомпенсовані винними збитки від простоїв з внутрішньовиробничих та зовнішніх причин, а також оплата працівникам часу вимушеного прогулу | 80, 81 | 26 |
17. | Витрати за анульованими виробничими замовленнями, а також витрати на виробництво, яке не дало продукції | 80 | 20 |
18. | Утримання законсервованих об’єктів (крім сум відшкодування з інших джерел) | 80 | 05, 07, 69 та ін. |
19. | Наприкінці звітного року (кварталу): |
|
|
| а) списана сума розподіленого прибутку | 80 | 81 |
| б) списана сума нерозподіленого прибутку звітного року | 80 | 98 |
| в) списана сума непокритого збитку звітного року | 98 | 70, 75, 81, 88, 96 |
Таблиця № 2. Рахунок № 81 "Використання прибутку".
№ пп | Назва операції | Кореспондуючі рахунки | |
|
| Дебет | Кредит |
1 | 2 | 3 | 4 |
1. | Нарахований податок на прибуток | 81 | 68 |
2. | Зроблені відрахування: |
|
|
| а) до Фондів спеціального призначення | 81 | 88 |
3. | Нарахування дивідендів засновникам | 81 | 75,73 |
4. | Відрахування прибутку на користь дочірних підприємств | 81 | 78 |
5. | Формування коштів цільового фінансування за рахунок прибутку | 81 | 96 |
Розвиток ринкових відносин підвищує відповідальність і самостійність підприємств у виробленні і прийнятті управлінських рішень по забезпеченню ефективності виробничої, інвестиційної і фінансової діяльності підприємства виражається в досягнутих фінансових результатах. Загальним фінансовим результатом є валовий прибуток.
Значення прибутку зумовлене тим, що з одного боку воно залежить в основному від якості роботи підприємства, підвищує економічну зацікавленість його працівників в найбільш ефективному використанні ресурсів, оскільки прибуток основне джерело виробничого і соціального розвитку підприємства, а з іншого боку вона служить найважливішим джерелом формування державного бюджету.
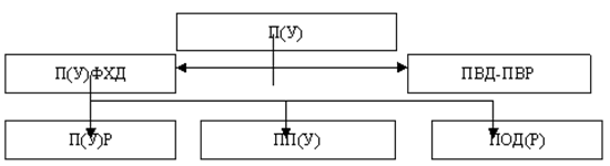
Структура формування загального фінансового результату в умовах ринкової економіки представлена на схемі № 1.

Схема № 1.2. Формування загального фінансового результату
П (У) – прибуток (збиток) звітного періоду;
П (У) ФХД – прибуток (збиток) від фінансової господарської діяльності;
ПВД – інші позареалізаційні прибутки;
ПВР – інші позареалізаційні витрати;
ПП (У) – проценти до отримання (до сплати);
ПІД (У) – інші операційні прибутки (витрати);
Зміст прибутку (збитку) від реалізації виражається формулою:
П (У) Р=ВР-СР-КР-УР, де ВР – виручка від реалізації товарів, продукція, роботи, послуги в нетто оцінки;
КР – комерційної витрати;
УР – управлінської витрати.
Проценти до отримання (до сплати) відображають суми належних відповідно до договорів до отримання (до сплати) процентам по облігаціям, депозитам і т. п., що враховуються відповідно до правил бухгалтерського обліку на рахунку 80 "Прибутків і збитків", за винятком прибутків, що підлягають отриманню по акціях по терміну відповідно до засновницьких документів по фінансових вкладеннях в цінні папери інших організацій.
Інші операційні прибутки (витрати) є дані по операціях, пов’язані з рухом майна підприємства (основних коштів, запасів, цінних паперів і т. д.).
До них зокрема відносяться:
- реалізація основних коштів і іншого майна;
- списання основних коштів внаслідок морального зносу;
- здача майна в оренду;
- анулювання виробничих замовлень;
- припинення виробництва, що не дає продукції;
- результати переоцінки майна і зобов’язань, вартість яких виражена у іноземній валюті;
- сума належних до сплати окремих видів податків і зборів за рахунок фінансових результатів відповідно до встановленого законодавства.
До складу інших позареалізаційних прибутків входять:
- кредиторська і депонентська заборгованість по якій позовній давності термін закінчився;
- присуджені або визнані боржником штрафи, пені і неустойки за порушення господарських договорів;
- прибуток минулих років, виявлений в звітному році;
- зарахування на баланс майна, що виявилося в надлишку за результатами інвентаризації і т. п.
До складу інших позареалізаційних витрат включається:
- суми знижених виробничих запасів, готової продукції і товарів, відповідно до встановленого добре-таки;
- збитки від списання дебіторської заборгованості, по якій закінчився термін позовної давності;
- штрафи за порушення господарських договорів.
Щоб управляти прибутком, необхідно провести об’єктивний системний аналіз формування, розподілу і використання прибутку, який дозволить виявити резерви його зростання.
Зростання прибутку визначає зростання потенційних можливостей підприємства, підвищує міру його ділової активності, збільшує розміри прибутків засновників і власників, характеризує фінансове здоров’я підприємства.
Література
- Бутинець Ф. Ф. Бухгалтерський фінансовий облік. - Житомир, ПП "РУТА", 2001.
- Голова С. Ф. Бухгалтерський облік та фінансова діяльність в Україні. - Житомир:ЖІТІ, 2001.
- Грабова Н. М. Теорія бухгалтерського обліку. К. – 2001.
- Завгородній В. П. Бухгалтерський облік в Україні. К. – 2001.
- Закон України "Про бухгалтерський облік та фінансову звітність в Україні", затв. ВРУ 16.07. 99 №996.
- Кужельний М. В. Теорія бухгалтерського обліку. Підручник –К, 2001.
- Меламед М., Бєглова О. Національне рахівництво і проблеми плану рахунків бухгалтерського обліку // Бухгалтерський облік і аудит. - 1996. - №2. - С. 9- 12.
- Моссаковський В. Деякі питання організації обліку в Україні // Бухгалтерський облік і аудит. - 1997. - №1. - С. 2-4.
- План рахунків бухгалтерського обліку в банках України // Бухгалтерський облік і аудит. - 1996. - №12. - С. 19-28.
- Сенищ П. Сьогодні і завтра бухгалтерського обліку // Вісн. НБУ. - 1996. - №3. - С. 8-9.
- Сердюк В. Реформа бухгалтерського обліку: ходіння по мінному полю // Київський вісник. - 1997. - 25 лютого.
- Ткченко Н. Н. Бухгалтерський фінансовий облік на підприємствах України. – К. – 2000.